Рельсовые направляющие SNE серии SG

Рельсовые линейные направляющие имеют ряд преимуществ, которые выгодно отличают данный тип оборудования от подобных приспособлений. Кроме объективной стоимости, рельсовые направляющие характеризуются надежностью и точностью изготовления, которые далеко не всегда присущи подобному оборудованию. Жесткая структура направляющей позволяет использовать ее в условиях, где применение других механизмов будет не только не рентабельным, но и не целесообразным с позиции удобства и эргономики.
Цена: от 4 160 руб.
Общее описание
Характеристики рельсовых направляющих SNE серии SG

|
|
5мм |
6мм |
8мм |
12мм |
|---|---|---|---|---|
|
SGB |
15N, N |
20N, 20 |
25 |
35 |
|
OSGB |
20 |
25 |
30 |
40 |
|
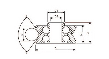
|
H |
H1 |
ФS |
ФD |
ФD2 |
|---|---|---|---|---|---|
|
5мм |
9.75 |
8 |
6 |
17 |
5 |
|
6мм |
12.75 |
11 |
8 |
24 |
6 |
|
8мм |
15.5 |
14 |
10 |
30 |
8 |
|
12мм |
22 |
19 |
12 |
42 |
12 |
|
|

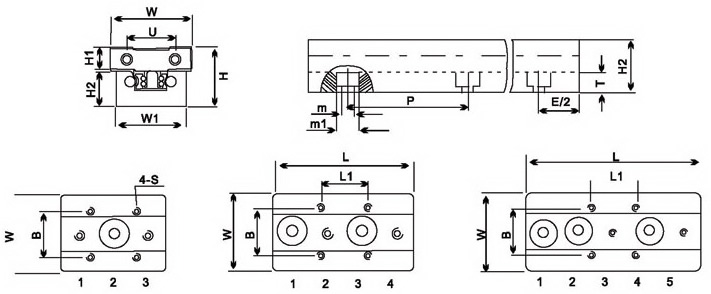
|
SGR |
SGB |
OSGR |
OSGB |
|||||||||||||||||||||||
|---|---|---|---|---|---|---|---|---|---|---|---|---|---|---|---|---|---|---|---|---|---|---|---|---|---|---|
|
H |
W |
W1 |
Н2 |
dp |
p |
* |
k/m |
T |
m1 |
m |
W |
H1 |
L |
B |
L1 |
S |
U |
K |
(N) |
(N.M) |
(gf/m) |
|||||
|
Yo |
Zo |
Mxo |
Mуo |
Mzo |
||||||||||||||||||||||
|
15N |
-3 |
32 |
44 |
38 |
18.5 |
6 |
120 |
6 |
1.651 |
7 |
8 |
4.5 |
44 |
12 |
60 |
26 |
26 |
M5 |
3 |
2 |
490 |
460 |
10.2 |
9.2 |
9.8 |
1846 |
|
-4 |
80 |
4 |
1.3 |
700 |
660 |
14.5 |
13.2 |
14 |
2146 |
|||||||||||||||||
|
-5 |
100 |
5 |
1.2.4 |
980 |
920 |
20.3 |
37 |
39 |
2216 |
|||||||||||||||||
|
15 |
-3 |
32 |
46 |
46 |
18.5 |
6 |
120 |
6 |
1.764 |
7 |
8 |
4.5 |
46 |
12 |
52 |
32 |
36 |
M5 |
3 |
2 |
490 |
460 |
13.8 |
7.4 |
7.8 |
2306 |
|
-4 |
72 |
4 |
1.3 |
700 |
660 |
19.8 |
21.1 |
22.4 |
2366 |
|||||||||||||||||
|
-5 |
86 |
5 |
1.2.4 |
980 |
920 |
27.7 |
44.3 |
47 |
2426 |
|||||||||||||||||
|
20N |
-3 |
35 |
47 |
47 |
22.5 |
8 |
120 |
8 |
2.247 |
8 |
9.5 |
5.5 |
46 |
12 |
80 |
38 |
30 |
M6 |
3 |
2 |
490 |
460 |
29.4 |
25.4 |
18.2 |
2739 |
|
-4 |
106 |
4 |
1.3 |
700 |
660 |
42 |
72.8 |
52 |
2799 |
|||||||||||||||||
|
-5 |
132 |
5 |
1.2.4 |
980 |
920 |
84.2 |
129 |
92.4 |
2859 |
|||||||||||||||||
|
20 |
-3 |
35 |
60 |
60 |
22.5 |
6 |
120 |
8 |
2.744 |
8 |
9.5 |
5.5 |
60 |
12 |
76 |
50 |
40 |
M6 |
3 |
2 |
490 |
460 |
42.1 |
21.5 |
15.4 |
35.68 |
|
-4 |
100 |
4 |
1.3 |
700 |
660 |
60.2 |
61.6 |
44 |
3628 |
|||||||||||||||||
|
-5 |
120 |
5 |
1.2.4 |
980 |
920 |
84.2 |
129 |
92.4 |
3688 |
|||||||||||||||||
|
25 |
-3 |
44 |
70 |
70 |
26 |
7 |
120 |
10 |
3.873 |
9 |
11 |
6.5 |
70 |
15 |
100 |
57 |
45 |
M8 |
3 |
2 |
490 |
460 |
67.62 |
48.51 |
41.58 |
4909 |
|
-4 |
133 |
4 |
1.3 |
700 |
660 |
96.6 |
138.6 |
118.8 |
5009 |
|||||||||||||||||
|
-5 |
166 |
5 |
1.2.4 |
980 |
920 |
135.0 |
291.06 |
249.48 |
5109 |
|||||||||||||||||
|
35 |
-3 |
55 |
100 |
100 |
35 |
8.5 |
160 |
12 |
6.442 |
11 |
14 |
8.5 |
100 |
18 |
140 |
82 |
62 |
M12 |
3 |
2 |
490 |
460 |
159.6 |
125 |
128 |
8243 |
|
-4 |
185 |
4 |
1.3 |
700 |
660 |
228 |
360 |
360 |
8643 |
|||||||||||||||||
|
-5 |
230 |
5 |
1.2.4 |
980 |
920 |
319.2 |
758 |
756 |
9043 |
|||||||||||||||||
